Blueback ODiSI
One dimensional stochastic inversion.
One dimensional stochastic inversion.
A new seismic inversion technique for geophysicists.
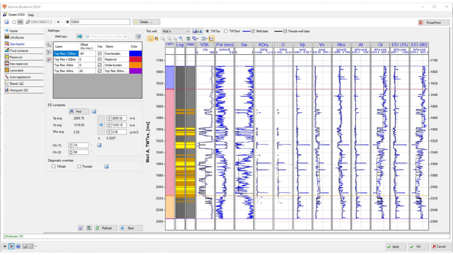
Blueback ODiSI is a facies based seismic inversion method that specifically includes only the most robust prior information in order to jointly estimate facies and reservoir properties along with their associated uncertainties.
Blueback ODiSI does not require any prior lateral constraints: the algorithm converges so that each trace can be inverted independently of its neighbors yet laterally continuity is still achieved.
The technology was originally developed by BP (Connolly & Hughes, 2013, 2014, 2016) while a version for the Petrel* E&P software platform has been developed jointly by Cegal and BP.
The solution comes fully integrated into Petrel, complementing Cegal’s Quantitative Interpretation solution Blueback Rocks QI.
Low frequency model required
Color inverted angle stacks simultaneously
Statistically correct pseudo-wells generated
Blueback ODiSI is a robust, rigorous, and accessible solution for seismic inversion.
The process is based on geological concepts and captures all the prior knowledge about a given field, prospect or reservoir.
The computing intensive algorithm is simple, robust and multi-threaded, and now includes the new post inversion algorithm “Finesse” for improved results.
Petrel * is a mark of SLB
A dynamic, easy-to-use tool that optimizes seismic data value, reduces exploration risk, uncertainty, and improves reservoir understanding.
Blueback Avary, developed in collaboration with Aker BP, offers increased effectiveness, speed, and quality for seismic post-stack processing workflows.
Experience efficient multi-well seismic calibration with Blueback Well Ties, delivering automated, consistent ties for reliable interpretation and enhanced reservoir evaluation. Contact us for a demo.
We want to show some of our colleagues through what we’ve called #MeetOurTeam. Meet Stoffe!